| توافر الحالة: | |
|---|---|
UTM-50PRS.
EBP INSTRUMENTS
شنغهاي
90 مجموعات / شهر
TT مقدما
1 مجموعة
تطبيق:
UTM-PRS. آلة اختبار صلابة سلسلة من السلسلة (الفضاء المزدوج)، تستخدم أساسا لتحديد تصلب الخاتم، ليونة حلقة وضغط الفطائر الدائرية ذات القسم التعميم. إنه يتوافق مع متطلبات جميع أنواع الأنابيب البلاستيكية، مثل أنابيب الحائط المنظمة، الأنابيب المموجة PE، أنابيب الجرح النذاري، إلخ.

المعايير:
يمكن أن تلتقي الجهاز ISO9969، ISO5893، ASTM D638، ASTM D790، ISO37، ASTM E4، ISO6892، ISO75000-1، معايير 10002-4 وما إلى ذلك.
سمات:
1. بالنسبة للأنابيب ذات الأقطار الداخلية غير النظامية، يستخدم جهاز قياس تشوه سمك الجدار أيضا لقياس تشوه القطر الداخلي. دقة القياس مرتفعة، والتحكم دقيق وموثوق به.
2. يحتوي نوع التحكم في الحواسيب الصغيرة على تكنولوجيا تكامل رقاقة متقدمة، ونظام الاستحواذ على البيانات المصممة بشكل احترافي وبرامج التحكم. يمكن لبرنامج التحكم تلقائيا الحصول على بيانات الاختبار مثل صلابة الحلقة والامتثال الدائري وفقا للمتطلبات القياسية.
3. يتيح نظام التحكم المؤازرة المؤازرة المحفوظة المتقدمة لزيادة دقة التحكم والاستقرار والاستقرار. الدقة الدقة يتم تقديم حلبة أخذ العينات الإعلانية لجمع مسند الاختبار، حتى لا تضيع قيمة الذروة.
4. تصميم فريد من نوعه لنظام قياس القطر الداخلي يجعل العينة سهلة التركيب والقياس المستشعر الصحيح.
المعلمة التكنولوجية:
PRS-30EW. | PRS-50EW. | PRS-100EW. | PRS-200EW. | PRS-300EW. | |
الأعلى. تحميل (kn) | 30 | 50 | 100 | 200 | 300 |
معيار المعايرة | فئة 0.5. | ||||
نطاق الحمل | 0.4٪ ~ 100٪ F.S | ||||
قرار النزوح | 0.001mm | ||||
سرعة الاختبار (مم / دقيقة) | 0.05-500. | ||||
سرعة Crosshead. | ± 0.5٪ من سرعة مجموعة | ||||
نطاق قطر الأنابيب | مخصصة (110mm-3000mmm) | ||||
عرض اختبار فعال | |||||
مزود الطاقة | AC 220V / 380V | ||||
الملحقات الرئيسية:
كتاب ما يبرر في غضون سنة واحدة وتعليمات التشغيل.
مجموعة من تركيبات (ضغط)
جهاز قياس تشوه خاص تصلب حلقة
توفر خلية تحميل الولايات المتحدة الأمريكية عالية الدقة تصلب عاليا، واستقرارا عالية، والسفرية العالية

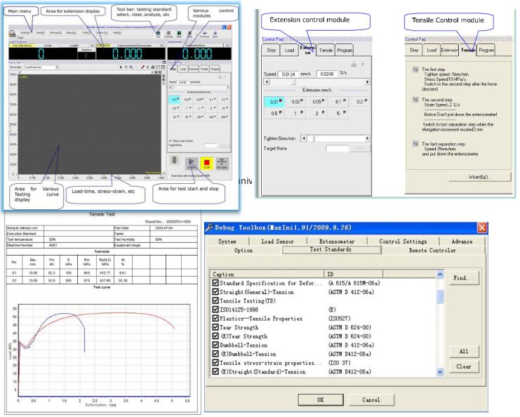
برنامج التحكم الخاص لآلة الاختبار في بيئة تشغيل Windows
واجهة برمجيات الكمبيوتر، اختبار العرض البيانات، طريقة الإعداد، حجم عينة
يمكن عرض الحمل - النزوح، التحميل - الوقت، الحمولة، الضغط، إجهاد الإجهاد، وقت الإجهاد، وقت الإجهاد، تحميل الضغط، ترتيف الإجهاد، وقت الاستئصال للعرض والطباعة؛ يمكن التبديل في أي وقت للمراقبة والتكبير والتكبير أو التصغير الأفقي أو الرأسي أخذ العينات عالية السرعة في الوقت الحقيقي.
معلومات المنتج اختبارها: تقديم المستخدمين مع البيانات لتعيين المنتجات، واحد الوقت لإدخال وإعادة استخدامها بشكل دائم. بالنسبة تحسين الدقة، يمكن أن تكون البيانات تصحيح الصيغة تلقائيا.
وحدة كجم، ن، LB يمكن تبادلها

اختبار قياسي: تزويد المستخدمين بالتطبيقات اللازمة في الاختبار، وتغطية GB، ASTM، DIN، JIS، BS ... وغيرها من المواصفات القياسية الاختبار.
الإخراج والطباعة تقرير: إكسل، كلمة، تقرير اختبار القالب، يمكن تحريرها تخصيص إظهار معلومات الاختبار، بما في ذلك اختبار شخص الاختبار، معيار اختبار، منحنى الاختبار، اختبار ماكس تحميل الخ، يمكن أن تضيف شعار شركتك واسم الشركة، وسهلة التحرير.

الصفحة الرئيسية | المنتوج | حالات | تحميل | أشرطة فيديو | أخبار | معلومات عنا | اتصل